400-6886-707
欢迎来到山东新戴森智能装备有限公司官方网站
山东新戴森智能装备有限公司
~激光切管机专业夹持方案提供商~
  • XDS240
  • XDS240

    • 0.00
      0.00
商品描述





XDS240激光卡盘技术参数

XDS240(前卡)

规格型号

推荐伺服电机

夹持范围mm

通孔直径mm

中心高度mm

回旋精度mm

重复定位精度mm

XDS240

2.9kw

8-230

240*240

360

±0.05

±0.05

气压范围Mpa

额定转速r/min

转动惯量kg.m2

最大承重kg

传动比

推荐减速机

总重量kg

0.1-0.8

150

4.5

300

1:5

110法兰减速机

160

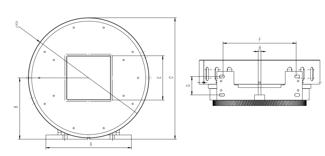
规格型号

尺寸A

(mm)

尺寸B

(mm)

尺寸C

(mm)

尺寸D

(mm)

尺寸E

(mm)

尺寸F

(mm)

尺寸G

(mm)

尺寸H

(mm)

XDS240

500

350

685

670

60/230

450

120

14



 

 

我要询价