400-6886-707
欢迎来到山东新戴森智能装备有限公司官方网站
山东新戴森智能装备有限公司
~激光切管机专业夹持方案提供商~
  • XDS500
  • XDS500

    • 0.00
      0.00
商品描述


XDS500激光卡盘技术参数

XDS500(前卡)


规格型号

推荐伺服电机

夹持范围mm

通孔直径mm

中心高度mm

回旋精度mm

重复定位精度mm

XDS500

7.5KW

40-500

520

610

±0.1

±0.1

气压范围Mpa

额定转速r/min

转动惯量kg.m2

最大承重kg

传动比

推荐减速机

总重量kg

0.1-0.8

60

60

1000

1:5

200法兰减速机

800


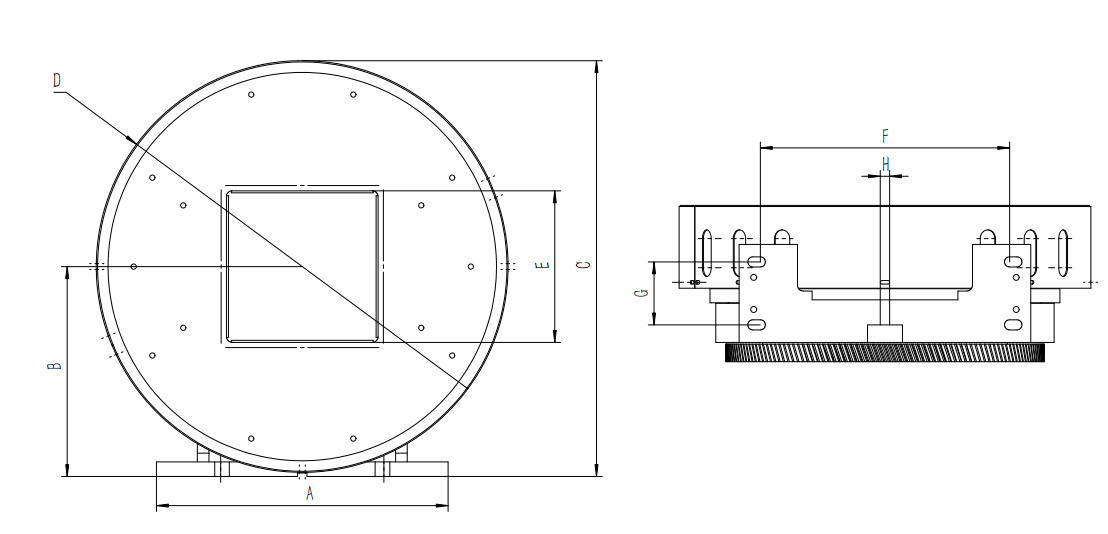
规格型号

尺寸A

(mm)

尺寸B

(mm)

尺寸C

(mm)

尺寸D

(mm)

尺寸E

(mm)

尺寸F

(mm)

尺寸G

(mm)

尺寸H

(mm)

XDS500

960

610

1167.5

1115

460

820

337

20







我要询价