400-6886-707
欢迎来到山东新戴森智能装备有限公司官方网站
山东新戴森智能装备有限公司
~激光切管机专业夹持方案提供商~
  • XDS450
  • XDS450

    • 0.00
      0.00
商品描述

XDS450激光卡盘技术参数


XDS450(前卡)

规格型号

推荐伺服电机

夹持范围

mm

通孔直径

mm

中心高度

mm

回旋精度

mm

重复定位精度mm

XDS450

9KW

10-450

450*450

610

±0.1

±0.1

气压范围Mpa

额定转速r/min

转动惯量kg.m2

最大承重kg

传动比

推荐减速机

总重量kg

0.1-0.8

60

71

1500

1:5

200法兰减速机

1050

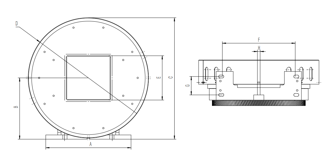
规格型号

尺寸A

(mm)

尺寸B

(mm)

尺寸C

(mm)

尺寸D

(mm)

尺寸E

(mm)

尺寸F

(mm)

尺寸G

(mm)

尺寸H

(mm)

XDS450

960

610

1200

1023

460

822

337

20




我要询价