XDS500激光卡盘技术参数
卡盘功能:切割机卡盘通过夹紧等方式将待加工材料固定在切割机的工作台上,防止材料在加工过程中移动或晃动,从而保证加工的准确性和质量。具体地,前卡盘位于激光切割机的进给端,负责固定待加工材料;后卡盘位于出料端,用于支撑和转移加工后的物料。
可选卡爪:
①:标准卡爪; 长条卡爪;可夹持工字钢、槽钢、等边角钢
②:支持非标设计
优势:非标准定制、可以满足各种管道材料、强夹紧力、夹紧精度高、全行程夹紧。
推荐减速机:新宝,摩多利
规格型号 | 推荐伺服电机 | 夹持范围mm | 通孔直径mm | 中心高度mm | 回旋精度mm | 重复定位精度mm |
XDS500 | ≥7.5KW | 40-500 | 520 | 610 | ±0.1 | ±0.1 |
气压范围Mpa | 额定转速r/min | 转动惯量kg.m2 | 最大承重kg | 传动比 | 推荐减速机 | 总重量kg |
0.1-0.8 | 20 | 60 | 2000 | 1:5 | 200法兰减速机 | 800 |
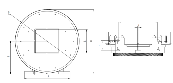
规格型号 | 尺寸A (mm) | 尺寸B (mm) | 尺寸C (mm) | 尺寸D (mm) | 尺寸E (mm) | 尺寸F (mm) | 尺寸G (mm) | 尺寸H (mm) |
XDS500 | 960 | 610 | 1167.5 | 1115 | 460 | 820 | 337 | 20 |



总部地址:济南市高新区舜泰广场6号楼27层
生产基地:济南新旧动能转换先行区崔寨青宁工业园
公司邮箱:liuruixiu@126.com
联系电话:400-6886-707
官方网址:https://www.xindysen.com