400-6886-707
欢迎来到山东新戴森智能装备有限公司官方网站
山东新戴森智能装备有限公司
~激光切管机专业夹持方案提供商~
XDH650简介
来源:山东新戴森智能装备有限公司办公室 | 作者:山东新戴森智能装备有限公司办公室 | 发布时间 :2025-09-30 | 240 次浏览: | 🔊 点击朗读正文 ❚❚ | 分享到:

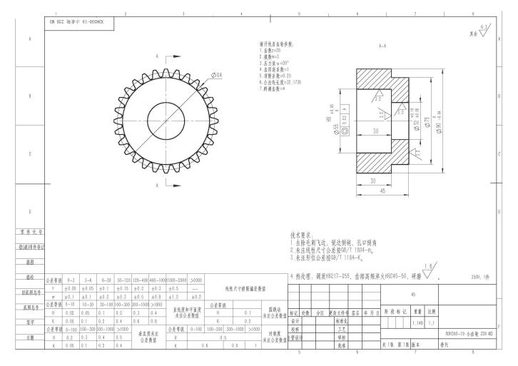
XDH650激光卡盘技术参数

卡盘功能:切割机卡盘通过夹紧等方式将待加工材料固定在切割机的工作台上,防止材料在加工过程中移动或晃动,从而保证加工的准确性和质量。具体地,前卡盘位于激光切割机的进给端,负责固定待加工材料;后卡盘位于出料端,用于支撑和转移加工后的物料。

可选卡爪

①:标准卡爪长条卡爪;可夹持工字钢、槽钢、等边角钢

②:支持非标设计

优势:非标准定制、可以满足各种管道材料、强夹紧力、夹紧精度高、全行程夹紧。

推荐减速机:新宝,摩多利




规格型号

推荐伺服电机

夹持范围mm

卡爪行程mm

中心高度mm

回旋精度mm

重复定位精度mm

XDH650

4KW

20-650

65

216

0.1

0.1

气压范围Mpa

额定转速r/min

转动惯量kg.m2

最大承重kg

传动比

推荐减速机

总重量/kg

0.1-0.8

60

2.5

1000

1:4

110轴减速机

460


规格型号

尺寸A

(mm)

尺寸B

(mm)

尺寸C

(mm)

尺寸D

(mm)

尺寸E

(mm)

尺寸F

(mm)

尺寸G

(mm)

尺寸H

(mm)

XDH650

1084

260

200

300

20

450

450

216


总部地址:济南市高新区舜泰广场6号楼27层
生产基地:济南新旧动能转换先行区崔寨青宁工业园
公司邮箱:liuruixiu@126.com
联系电话:400-6886-707
官方网址:https://www.xindysen.com