卡盘功能:切割机卡盘通过夹紧等方式将待加工材料固定在切割机的工作台上,防止材料在加工过程中移动或晃动,从而保证加工的准确性和质量。具体地,前卡盘位于激光切割机的进给端,负责固定待加工材料;后卡盘位于出料端,用于支撑和转移加工后的物料。
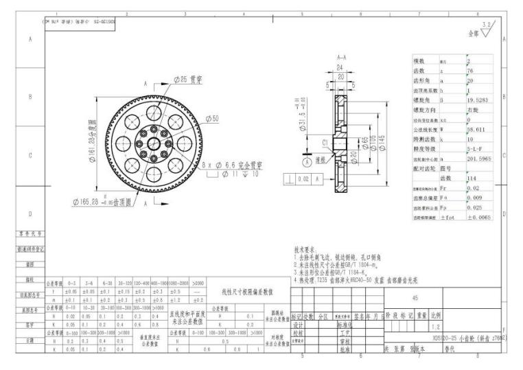
XDS120/XDH120激光卡盘技术参数
一、前后卡概述:
保修期 | 一年 | 配件种类 | 接口 |
核心卖点 | 精度高 | 状态 | NEW |
原产地 | Shandong,China | 配件类型 | 激光切管机卡盘 |
品牌 | XINDYSEN |
|
|
卡盘功能:切割机卡盘通过夹紧等方式将待加工材料固定在切割机的工作台上,防止材料在加工过程中移动或晃动,从而保证加工的准确性和质量。具体地,前卡盘位于激光切割机的进给端,负责固定待加工材料;后卡盘位于出料端,用于支撑和转移加工后的物料。
可选卡爪:
①:标准卡爪; 长条卡爪;可夹持工字钢、槽钢、等边角钢
②:支持非标设计
优势:降低材料消耗、非标准定制、可以满足各种管道材料、强夹紧力、夹紧精度高、全行程夹紧。
推荐减速机:新宝,摩多利
二、XDS120(前卡)
规格型号 | 推荐伺服电机 | 夹持范围mm | 通孔直径mm | 中心高度mm | 回旋精度mm | 重复定位精度mm |
XDS120 | 1.8-2kw | 6-110 | 120*120 | 205 | ±0.05 | ±0.05 |
气压范围Mpa | 额定转速r/min | 转动惯量kg.m2 | 最大承重kg | 传动比 | 推荐减速机 | 总重量kg |
0.1-0.7 | 300 | 0.32 | 100 | 1:1.5 | 90法兰减速机 | 70 |
规格型号 | 尺寸A (mm) | 尺寸B (mm) | 尺寸C (mm) | 尺寸D (mm) | 尺寸E (mm) | 尺寸F (mm) | 尺寸G (mm) | 尺寸H (mm) |
XDS120 | 280 | 205 | 550 | 380 | 84 | 240 | 50 | 12 |
三、XDH120(后卡)
规格型号 | 推荐伺服电机 | 夹持范围mm | 卡爪行程mm | 中心高度mm | 回旋精度mm | 重复定位精度mm |
XDH120 | 0.9-1.3KW | 6-120 | 17.5 | 70 | ±0.05 | ±0.05 |
气压范围Mpa | 额定转速r/min | 转动惯量kg.m2 | 最大承重kg | 传动比 | 推荐减速机 | 总重量kg |
0.1-0.7 | 300 | 0.05 | 100 | 1:1.5 | 90法兰减速机 | 33 |
规格型号 | 尺寸A (mm) | 尺寸B (mm) | 尺寸C (mm) | 尺寸E (mm) | 尺寸F (mm) | 尺寸G (mm) | 尺寸H (mm) | 尺寸I (mm) |
XDH120 | 623.5 | 100 | 55 | 109.2 | 10 | 115 | 174 | 70 |
